-
- Tổng tiền thanh toán:
Khi mua hàng tại website của chúng tôi, quý khách sẽ được:
Cảm biến quang EE-SX676 Loại thu phát khe hở. 5-24VDC, Khoảng cách phát hiện 5mm, Đầu ra NPN
Thông Số Kỹ Thuật :
| Phương pháp cảm biến | Thu phát riêng (dạng khe hở) |
|
Chế độ hoạt động |
Ngõ ra NPN : open collector 5-24 VDC , 100mA Có thể chọn Light-ON/Dark-ON |
|
Khoảng cách cảm nhận |
5mm (dạng khe hở) |
|
Đối tượng cảm nhận |
Tối thiểu : 2 x 0.8 mm |
|
Nguồn sáng (bước sóng) |
Đèn LED hồng ngoại |
|
Bảo vệ |
Bảo vệ chống ngắn mạch ( Model -WR sẵn dây 1M không được bảo vệ) |
|
Điện áp |
5-24 VDC ±10%
|
|
Nhiệt độ môi trường |
-25 đến 55 ° C (không đóng băng hoặc ngưng tụ) |
|
Tiêu chuẩn |
IEC60529 IP50 |
|
Phương thức kết nối |
Chân cắm ( 4 chấu ) |
|
Chất liệu vỏ |
BPT (Polybutylene phthalatae) |
| Phụ kiện kèm theo | - |
Các thông số kỹ thuật và kích thước của một số bộ phận có thể không được liệt kê đầy đủ. Để biết chi tiết chính xác, hãy tải về " Tài liệu PDF " bên trên.
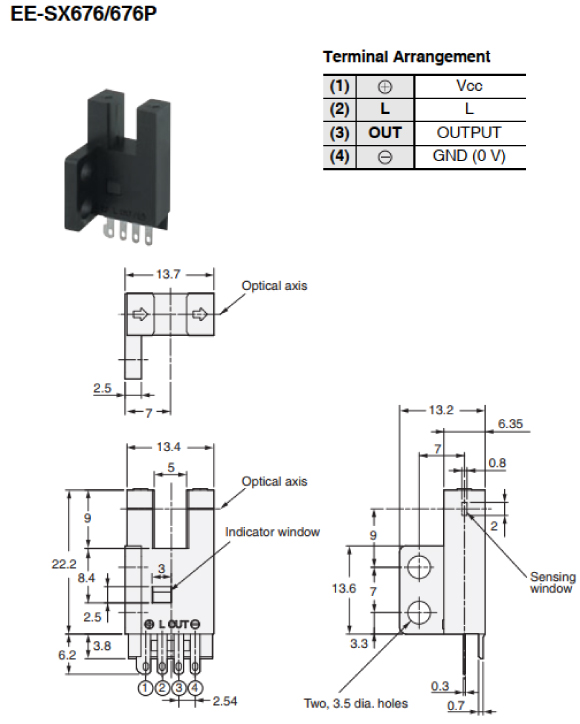
Kích Thước EE-SX676 :

Sơ Đồ Đấu Dây EE-SX676 :


Các sản phẩm đều được bảo hành chính hãng.
- Thời hạn bảo hành: các sản phẩm chúng tôi kinh doanh, đều được bảo hành theo chính sách của nhà sản xuất.
- Thời điểm tính hạn bảo hành: Từ ngày Quý khách hàng nhận được sản phẩm (ngày ghi trên tem bảo hành hoặc phiếu giao hàng).
Ô 19, Lô LK-H, Đường D4, Khu nhà ở An Phú 1, Phường An Phú, Thành phố Hồ Chí Minh, Việt Nam.