-
- Tổng tiền thanh toán:
Chúng tôi luôn ở đây để hỗ trợ quý khách hàng...
Cảm biến quang EE-SX672P Loại thu phát khe hở. 5-24VDC, Khoảng cách phát hiện 5mm, Đầu ra PNP
Thông Số Kỹ Thuật :
| Phương pháp cảm biến | Thu phát riêng (dạng khe hở) |
|
Chế độ hoạt động |
Ngõ ra PNP : open collector 5-24 VDC , 50mA Có thể chọn Light-ON/Dark-ON |
|
Khoảng cách cảm nhận |
5mm (dạng khe hở) |
|
Đối tượng cảm nhận |
Tối thiểu : 2 x 0.8 mm |
|
Nguồn sáng (bước sóng) |
Đèn LED hồng ngoại |
|
Bảo vệ |
Bảo vệ chống ngắn mạch ( Model -WR sẵn dây 1M không được bảo vệ) |
|
Điện áp |
5-24 VDC ±10%
|
|
Nhiệt độ môi trường |
-25 đến 55 ° C (không đóng băng hoặc ngưng tụ) |
|
Tiêu chuẩn |
IEC60529 IP50 |
|
Phương thức kết nối |
Chân cắm ( 4 chấu ) |
|
Chất liệu vỏ |
BPT (Polybutylene phthalatae) |
| Phụ kiện kèm theo | - |
Các thông số kỹ thuật và kích thước của một số bộ phận có thể không được liệt kê đầy đủ. Để biết chi tiết chính xác, hãy tải về " Tài liệu PDF " bên trên.
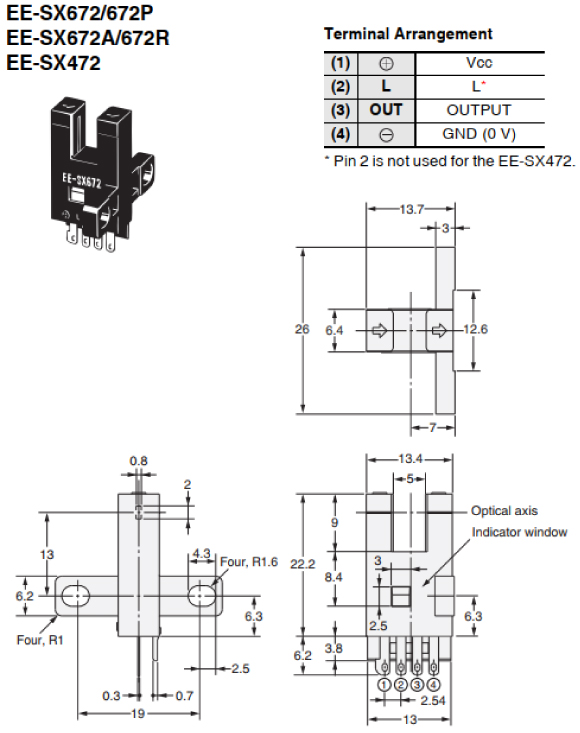
Kích Thước EE-SX672P :

Sơ Đồ Đấu Dây EE-SX672P :
