-
- Tổng tiền thanh toán:
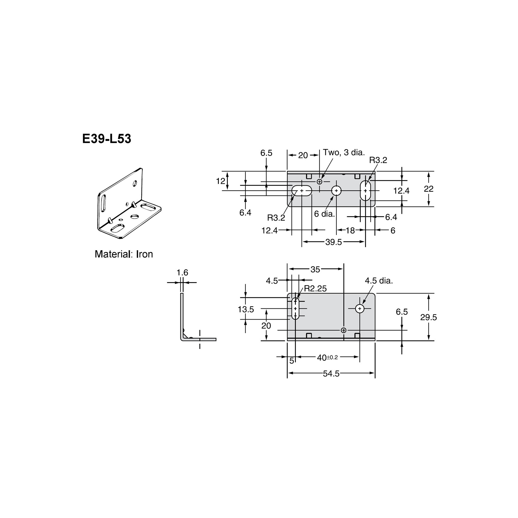
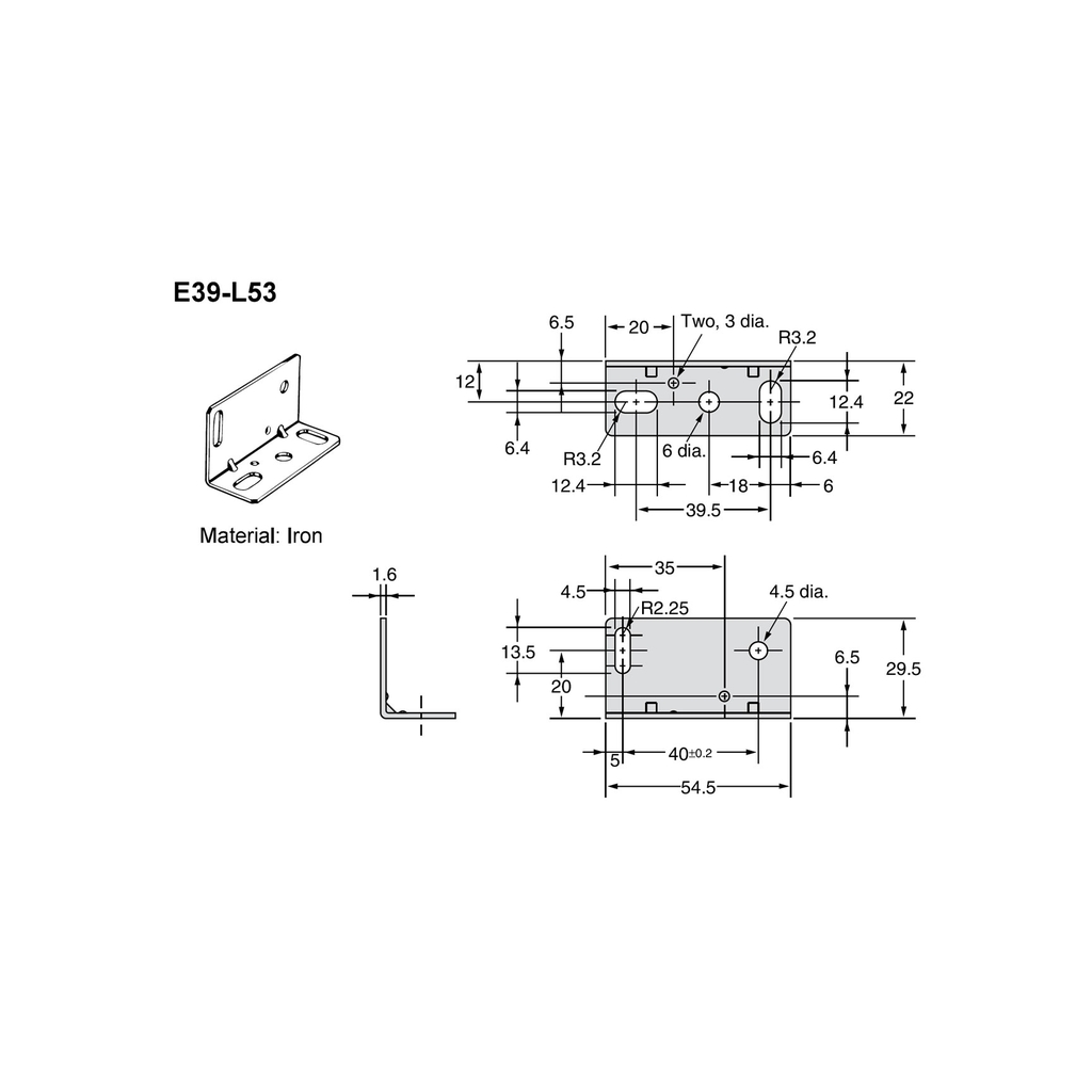
E39-L53 là giá đỡ lắp cảm biến quang thuộc dòng E39-L của OMRON, dùng cho E3JM. Kết cấu gọn và chắc, phù hợp khi chỉ cần một bộ gá cơ bản để cố định cảm biến mà không cần kiểu chỉnh cao như E39-L51.
Thông số kỹ thuật
| Model | E39-L53 |
|---|---|
| Nhóm sản phẩm | Mounting Bracket |
| Loại phụ kiện | Giá đỡ cảm biến quang |
| Cảm biến áp dụng | E3JM |
| Vật liệu | Sắt |
| Phụ kiện đi kèm | Không kèm phụ kiện theo catalog |
| Đặc điểm kích thước nổi bật | Giá đỡ chữ L cho E3JM, dày khoảng 1.6 mm, kích thước tổng thể khoảng 54.5 × 29.5 mm. |
Lưu ý lắp đặt & an toàn
- E39-L53 là phụ kiện gá lắp, không phải cảm biến quang.
- Cần đối chiếu đúng model cảm biến áp dụng trước khi lắp để tránh sai pitch hoặc sai hướng gá.
- Kích thước chi tiết nên đối chiếu lại theo bản vẽ Mounting Bracket Dimensions trong tài liệu E39 khi nghiệm thu cơ khí.
