-
- Tổng tiền thanh toán:
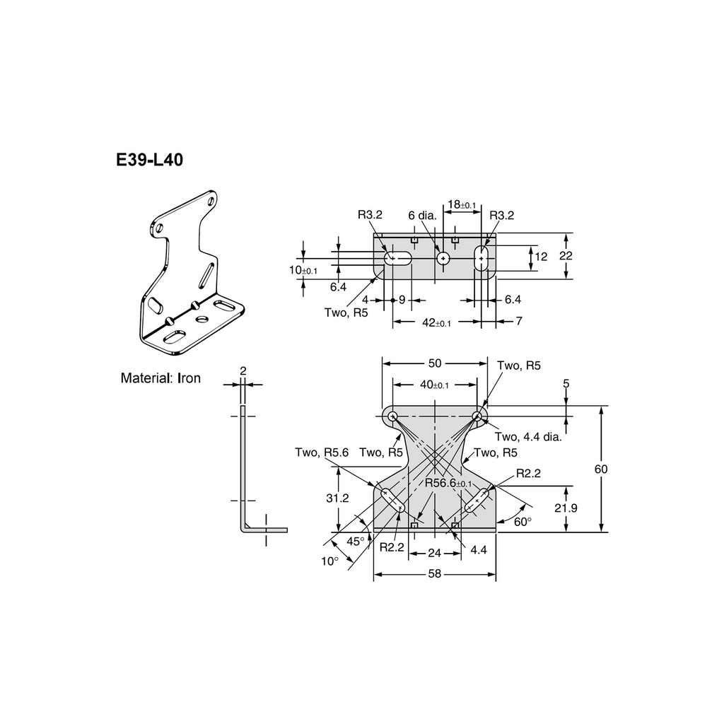
E39-L40 là giá đỡ lắp cảm biến quang dòng E39-L của OMRON, dùng cho cảm biến E3JK. Kết cấu kim loại cứng, bản đế lớn và nhiều lỗ oval giúp việc bắt vít, chỉnh vị trí lắp đặt thuận tiện hơn.
Thông số kỹ thuật
| Model | E39-L40 |
|---|---|
| Nhóm sản phẩm | Mounting Bracket |
| Loại phụ kiện | Giá đỡ cảm biến quang |
| Cảm biến áp dụng | E3JK |
| Vật liệu | Sắt |
| Phụ kiện đi kèm | 2 vít M4 × 25 kèm long đen phẳng, long đen lò xo và 2 đai ốc M4 |
| Đặc điểm kích thước nổi bật | Giá đỡ chữ L dạng lớn, dày 2 mm, mặt đế rộng khoảng 58 × 60 mm, phù hợp lắp cho E3JK. |
Lưu ý lắp đặt & an toàn
- E39-L40 là phụ kiện gá lắp, không phải cảm biến quang.
- Cần đối chiếu đúng model cảm biến áp dụng trước khi lắp để tránh sai pitch hoặc sai hướng gá.
- Kích thước chi tiết nên đối chiếu lại theo bản vẽ Mounting Bracket Dimensions trong tài liệu E39 khi nghiệm thu cơ khí.
