-
- Tổng tiền thanh toán:
Khi mua hàng tại website của chúng tôi, quý khách sẽ được:
Relay luân phiên G4Q-212S AC220 Model 2 tiếp điểm DPDT,8 chân tròn, điện áp cuộn Coil AC220, tải trợ 5A.
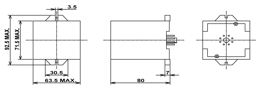
Các thông số kỹ thuật và kích thước của một số bộ phận có thể không được liệt kê đầy đủ. Để biết chi tiết chính xác, hãy tải về " Tài liệu PDF " bên trên.
Kích thước G4Q-212S AC220 :

Sơ Đồ Đấu Dây G4Q-212S AC220 :
